INFORMACIÓN
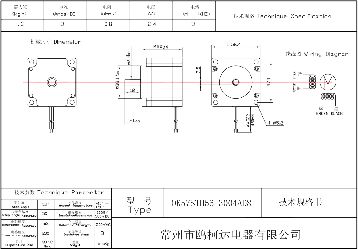
El Nema 23 57BYGH56 es un motor paso a paso de tipo bipolar híbrido de alto torque que tiene un ángulo de paso de 1.8 ° (200 pasos / revolución) donde cada fase consume 3 A, con un torque de 1.2 Nm. El motor tiene cuatro cables codificados por colores negro, verde, rojo, y azul para conectar las bobinas a las terminales de controlador.
Este motor a pasos Nema 23 57BYGH56 es ideal para construir mecanismos en donde se requieran movimientos muy precisos, en máquinas CNC o si estás diseñando tu propio CNC este motor es el indicado, de igual forma se utiliza en proyectos de robótica, iluminación de escenario, grabado láser, equipo de automatización, equipo no estándar, máquina de colocación para controlar cualquier movimiento paso a paso.
Contamos con más motores nema solo tienes que entrar en el apartado de Robótica y seleccionar Motores.
ESPECIFICACIONES Y CARACTERÍSTICAS
- Tipo: Motor a pasos bipolar híbrido
- Nombre: Nema 23
- Modelo: OK57STH56-3004AD8
- Marca: OUKEDA
- Voltaje nominal: 12V ~ 24V DC
- Corriente: 3A / Fase
- Fase: 2 fases
- Sosteniendo Torque: 120 N.cm ó 1.2 N.m
- Torque en kg-cm: 12.23 k.cm
- Ángulo de paso: 1.8 grados
- Resistencia / Fase: 0.8 Ω
- Inductancia de fase: 4.7mH
- Eje: Tipo D 20 x Ф 8mm
- Dimensiones: 56 x 56 x 55 mm
- Peso: 680g
Nota: El modelo OK57STH56-3004AD8 es exactamente igual al 57BYGH56
DOCUMENTACIÓN Y RECURSOS
INFORMACIÓN ADICIONAL
Para probar tu Nema 23 57BYGH56 Motor a Pasos 3A 120 Ncm te sugerimos el siguiente diagrama de conexión y código, utilizando un driver DH860, un Arduino Uno y una alimentación de 24 VDC.
Diagrama de conexión

Código
#define t 400 // Variable para ajustar la duracion de los pulsos
// Pines de control
const int dirPin = 3; // Dirección
const int pulPin = 2; // Pulso
void setup() {
pinMode(dirPin, OUTPUT);
pinMode(pulPin, OUTPUT);
digitalWrite(dirPin, LOW); // Sentido de giro
}
void loop() {
// Generar un pulso
digitalWrite(pulPin, HIGH);
delayMicroseconds(t); // Duración del pulso (ajustar según velocidad deseada)
digitalWrite(pulPin, LOW);
delayMicroseconds(t); // Tiempo entre pulsos
// Repite indefinidamente
}
⚠️Precauciones de uso⚠️
1. Corriente de operación adecuada
- Este motor está diseñado para 3A por fase.
- Si el driver (como el DM860) permite configurar corriente, ajústalo a 3A o menos.
-
Si lo configuras más alto, se sobrecalienta y reduce su vida útil.
-
Si lo configuras más bajo, pierde torque, pero es más seguro.
-
2. Temperatura del motor
- Si arde al tacto (>70–80 °C), reduce corriente o mejora la ventilación.
- El aislamiento del bobinado suele soportar hasta 130 °C, pero más de 85°C ya es riesgoso para uso continuo.
3. Montaje mecánico correcto
- Monta el motor sobre una superficie metálica para disipar calor.
- NO toques el eje con los dedos mientras gira: tiene torque suficiente para pellizcar o lastimar.
- Usa acoplamientos flexibles si conectas el eje a otro eje (evitas daño por desalineación).
4. Cuidado con el back-EMF
- Si giras el eje a mano cuando está conectado (aunque sin energía), puede generar voltaje inverso (back-EMF) que daña el driver.
- No lo gires manualmente cuando esté conectado al DM860.
5. No desconectar el motor en caliente
- Si desconectas una bobina del motor mientras está energizado, puedes dañar el driver o el motor.
- Siempre apaga todo antes de cambiar cables.

Easydriver Para Motor De Pasos V4.4 Controlador A3967
Raspberry Pi Pico 2 RP2350
Eliminador 9V 1A con Plug




































Valoraciones
No hay valoraciones aún.