INFORMACIÓN
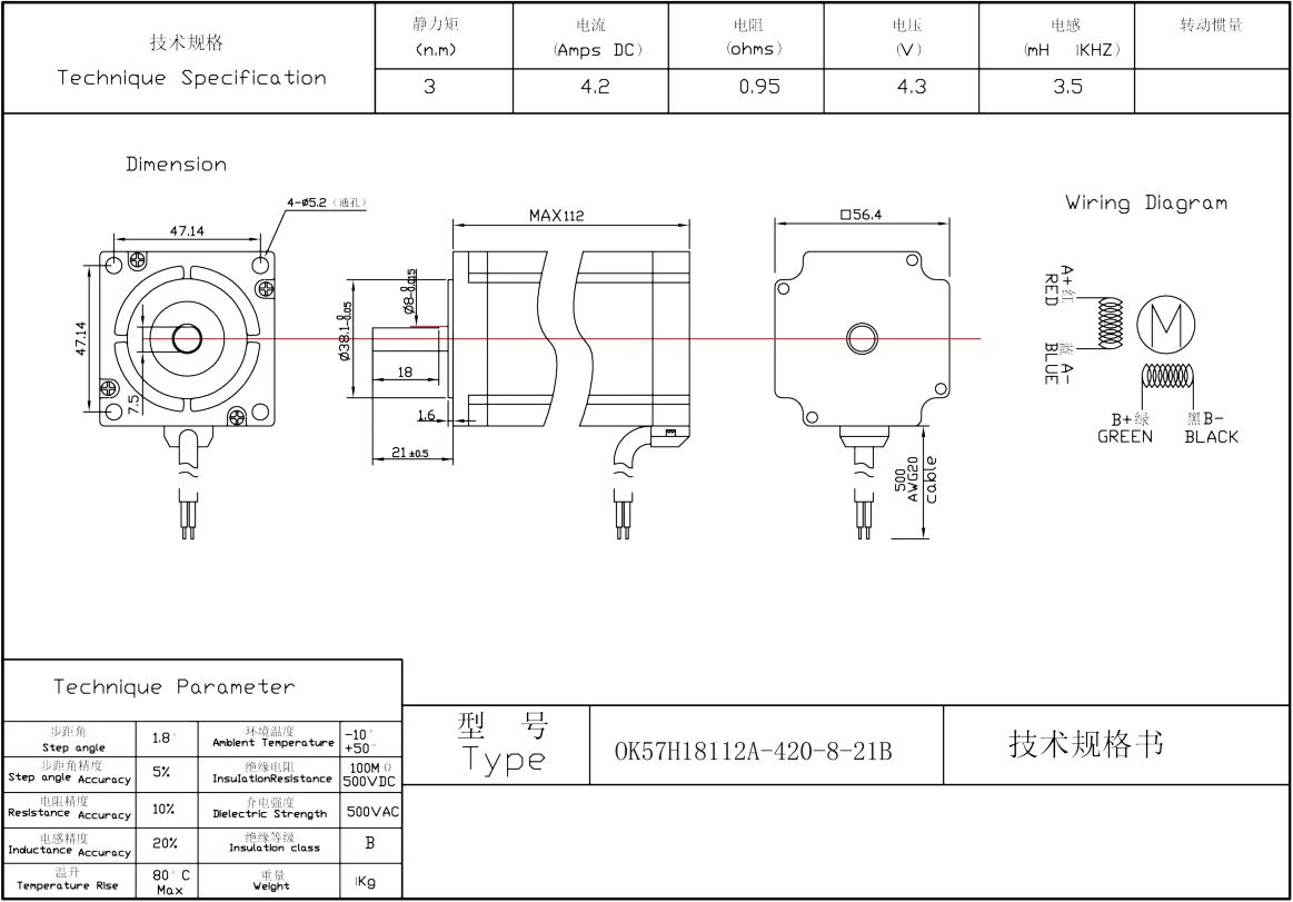
Motor paso a paso Nema 23 OK57H18112A de tipo bipolar híbrido de alto torque tiene un ángulo de paso de 1.8 ° (200 pasos / revolución). Cada fase consume 4.2 A, con un torque de 3 Nm. El motor tiene cuatro cables codificados por colores amarillo, verde, rojo, y azul para conectar las bobinas a las terminales de controlador.
Este motor a pasos Nema 23 OK57H18112A es ideal para construir mecanismos en donde se requieran movimientos muy precisos, en máquinas CNC o si estas diseñando tu propio CNC este motor es el indicado, de igual forma se utiliza en proyectos de robótica, iluminación de escenario, grabado láser, equipo de automatización, equipo no estándar, máquina de colocación para controlar cualquier movimiento paso a paso.
Contamos con más motores nema solo tienes que entrar en el apartado de Robótica y seleccionar Motores.
ESPECIFICACIONES Y CARACTERÍSTICAS
- Tipo: Motor a pasos bipolar híbrido
- Nombre: Nema 23
- Matricula: OK57H18112A o OK57DL112-424A
- Marca: OUKEDA
- Peso: 1.6 Kg
- Tamaño: 56.4 x 56.4 x 112 mm
- Voltaje nominal: 12V ~ 24V DC
- Corriente: 4.2 A / Fase
- Fase: 2 fases
- Sosteniendo Torque: 300 Ncm ó 3 N.m
- Torque en kg-cm: 30.59 k.cm
- Ángulo de paso: 1.8 grados
- Resistencia / Fase: 1.0 Ω
- Inductancia de fase: 5mH
- Eje: Tipo D 20 x Ф8mm
*Nota: La matrícula del motor puede variar de acuerdo al fabricante, sus especificaciones son las mismas.
DOCUMENTACIÓN Y RECURSOS
INFORMACIÓN ADICIONAL
Para probar tu Nema 23 Motor a Pasos OK57H18112A 4.2A 300 Ncm te sugerimos el siguiente diagrama de conexión y código, utilizando un driver DH860, un Arduino Uno y una alimentación de 12 VDC.
Diagrama de conexión

Código
#define t 400 // Variable para ajustar la duracion de los pulsos
// Pines de control
const int dirPin = 3; // Dirección
const int pulPin = 2; // Pulso
void setup() {
pinMode(dirPin, OUTPUT);
pinMode(pulPin, OUTPUT);
digitalWrite(dirPin, LOW); // Sentido de giro
}
void loop() {
// Generar un pulso
digitalWrite(pulPin, HIGH);
delayMicroseconds(t); // Duración del pulso (ajustar según velocidad deseada)
digitalWrite(pulPin, LOW);
delayMicroseconds(t); // Tiempo entre pulsos
// Repite indefinidamente
}
⚠️Precauciones de uso⚠️
1. Corriente de operación adecuada
- Este motor está diseñado para 4.2A por fase.
- Si el driver (como el DM860) permite configurar corriente, ajústalo a 4.2A o menos.
-
Si lo configuras más alto, se sobrecalienta y reduce su vida útil.
-
Si lo configuras más bajo, pierde torque, pero es más seguro.
-
2. Temperatura del motor
- Si arde al tacto (>70–80 °C), reduce corriente o mejora la ventilación.
- El aislamiento del bobinado suele soportar hasta 130 °C, pero más de 85°C ya es riesgoso para uso continuo.
3. Montaje mecánico correcto
- Monta el motor sobre una superficie metálica para disipar calor.
- NO toques el eje con los dedos mientras gira: tiene torque suficiente para pellizcar o lastimar.
- Usa acoplamientos flexibles si conectas el eje a otro eje (evitas daño por desalineación).
4. Cuidado con el back-EMF
- Si giras el eje a mano cuando está conectado (aunque sin energía), puede generar voltaje inverso (back-EMF) que daña el driver.
- No lo gires manualmente cuando esté conectado al DM860.
5. No desconectar el motor en caliente
- Si desconectas una bobina del motor mientras está energizado, puedes dañar el driver o el motor.
- Siempre apaga todo antes de cambiar cables.

Pasta Térmica 5g
ESP32 Lolin32 Lite CH340 con Carga de Batería
CAU-115A Cautin Tipo Lapiz de 35W 127V con Accesorios
MT3608 Elevador de Voltaje Boost Step Up 6W 2A
NRF24L01 + PA + LNA Con antena
Sensor Magnetico Mc-38 para Puertas y Ventanas
Flux Limpiador para Soldar 250 ML
LED Bicolor 5mm KY-011
XIAO ESP32-S3 Wi-Fi y BLE
RM99BPro Pinza Amperimétrica Digital
Pasta Limpiadora para Puntas de Cautín 6g
PICKIT 3.5 Programador Universal para PIC con Accesorios
Eliminador Raspberry Pi 3 5V 3A














































Valoraciones
No hay valoraciones aún.