INFORMACIÓN
El 74LS122 es un circuito integrado TTL que actúa como un multivibrador monoestable redisparable. Se utiliza para generar pulsos de salida con una duración específica cuando se le proporciona un pulso de entrada. Es comúnmente empleado en aplicaciones de temporización y control donde se necesitan señales de temporización precisas y controladas.
ESPECIFICACIONES Y CARACTERÍSTICAS
- Tipo: Multivibrador Monoestable Redisparable
- Serie: 74LS122
- Número de pines: 14
- Encapsulado: PDIP-14
- Voltaje de alimentación: 4.75 a 5.25 V
- Resistencia interna (Rint): 10 kΩ
- Resistencia externa:
- Mínimo: 5 kΩ
- Máximo: 50 kΩ
- Capacitor externo:
- Cext: Sin restricción
- Rext/Cext: Máximo 50pF
- Corriente de salida de nivel alto (IOH): Máximo -800 μA
- Corriente de salida de nivel bajo (IOL): Máximo 16 mA
- Voltaje de salida de nivel alto (VCC= Min y IOH= Máx): 3.4 V
- Voltaje de salida de nivel bajo (VCC= Min y IOL= Máx): 0.2V
- Duración del pulso: Mínimo 40 ns
- Temperatura de operación: 0 a 70 °C
- Dimensiones: 19.69 mm x 8.26 mm x 8.18 mm
SUSTITUTO
- Similares: NTE74122 o NTE74LS122
Nota: Los siguientes IC son recomendaciones de sustitutos, recuerde siempre revisar el Datasheet de estos para confirmar que son adecuados a sus requerimientos.
DOCUMENTACIÓN Y RECURSOS
INFORMACIÓN ADICIONAL
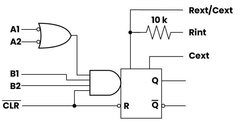
Símbolo 74LS122:

Pinout 74LS122:

Descripción de pines:

Tabla de estados lógicos 74LS122

*Nota: El símbolo † en las salidas indican que se asumen las condiciones de los estados estacionarios de las entradas A y B, a que han sido configuradas con el tiempo suficiente para completar cualquier pulso iniciado antes del siguiente estado
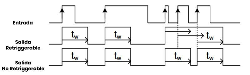
¿En qué se diferencia la salida redisparable de la no redisparable?
En la salida no redisparable cuando se produce un pulso, esté no se verá afectado por las variaciones en las entradas hasta que se complete el tiempo del pulso. Al contrario con la salida redisparable, si existe un pulso de salida, se puede generar un pulso de la misma longitud cuando se activan las entradas sin importar si hay un pulso existente durante ese tiempo.

El 74LS122, siendo un multivibrador monoestable redisparable, tiene varias aplicaciones, incluyendo:
- Generación de pulsos de temporización en sistemas digitales.
- Control de secuencias en sistemas de automatización.
- Implementación de circuitos de encendido y apagado en dispositivos electrónicos.
- Diseño de circuitos de temporización en sistemas de control de acceso.
- Creación de señales de activación en sistemas de comunicación.
- Uso en circuitos de monitoreo y detección para generar alertas o señales de salida.
- Aplicaciones en circuitos de retroalimentación para estabilización de sistemas.
- Diseño de sistemas de control de motores y actuadores.
- Utilización en proyectos de electrónica educativa para entender los principios de temporización y control.



















Valoraciones
No hay valoraciones aún.