INFORMACIÓN
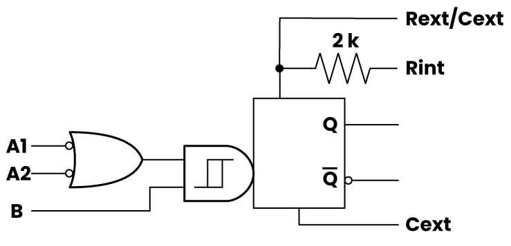
El circuito integrado 74LS121 es un multivibrador monoestable con tres entradas y dos salidas complementarias, de las tres entradas, dos son de activación por transición negativa y una de activación por transición positiva Schmitt-trigger que se puede usar como una entrada inhibidora y evita fluctuaciones a la hora de la activación. Puede otorgar anchos de pulso programables a través de un resistor y un capacitor (Pin Cext), puedes usar una resistencia externa (Pin Rext) o la resistencia interna del CI (Pin RInt) para reducir el número de componentes en tu circuito y evitar problemas de diseño a la hora de hacer PCBs.
También, el C.I 74LS121 tiene una alta inmunidad al ruido de la fuente de alimentación y evita fluctuaciones en el ancho de pulso hasta el 90% del ciclo útil. Puedes usar este C.I en circuitos como timers, circuitos de retardo, circuitos con compuertas, entre otros.
ESPECIFICACIONES Y CARACTERÍSTICAS
- Tipo: Multivibrador Monoestable Schmitt-Trigger
- Serie: 74LS121
- Tecnología: TTL
- Número de pines: 14
- Encapsulado: PDIP-14
- Voltaje de alimentación: 4.5 a 5.5 V
- Resistencia interna (Rint): 2 kΩ
- Resistencia externa:
- Mínimo: 1.4 kΩ
- Máximo: 40 kΩ
- Capacitor externo: Máximo 1000 μF
- Corriente de salida de nivel alto (IOH): Máximo -0.4 mA
- Corriente de salida de nivel bajo (IOL): Máximo 16 mA
- Voltaje de salida de nivel alto (VCC= Min y IOH= Máx): 3.4 V
- Voltaje de salida de nivel bajo (VCC= Min y IOL= Máx): 0.2V
- Ciclo útil:
- Para Rint: Máximo 67%
- Para Rext máxima: Máximo 90%
- Rango de subida o caída del pulso de entrada:
- Entrada Schmitt (B): 1 V/s
- Entradas lógicas (A1 y A2): 1 V/μS
- Ancho de pulso de entrada: 50 ns
- Temperatura de operación: 0 a 70 °C
- Dimensiones: 19.69 mm x 8.26 mm x 8.18 mm
Pines:
- Q: Salida
- NC
- A1: Entrada de activación por transición negativa 1
- A2: Entrada de activación por transición negativa 2
- B: Entrada Schmitt Trigger
- Q: Salida
- GND: Tierra
- NC
- Rint: Resistencia interna
- Cext: Capacitor externo
- Rext/Cext: Resistencia externa o capacitor externo
- NC
- NC
- VCC: Voltaje de alimentación
DOCUMENTACIÓN Y RECURSOS
INFORMACIÓN ADICIONAL
|
Símbolo 74LS121 |
Pinout 74LS121 |
Tabla de estados lógicos 74LS121 |
![]() |
![]() |
![]() |
*Nota: El símbolo ↑ en las salidas indican que se asumen las condiciones de los estados estacionarios de las entradas A y B, a que han sido configuradas con el tiempo suficiente para completar cualquier pulso iniciado antes del siguiente estado
¿Cómo funciona el 74LS121 Multivibrador Monoestable Schmitt-Trigger?
La activación del pulso ocurre a un nivel particular de voltaje y no está directamente relacionado con el tiempo de transición del pulso de entrada, la circuitería (Histéresis TTL) de la entrada Schmitt-trigger para la entrada B permite tener una activación libre de fluctuaciones desde las entradas con rangos de transición tan lentos como 1 volt/segundo, brindándole al circuito una excelente inmunidad al ruido de aproximadamente 1.2 volts, También se puede obtener una alta inmunidad al ruido Vcc aproximadamente de 1.5 volts suministrados por el circuito latch interno.
Una vez activadas, las salidas son independientes de otras transiciones de las entradas y son función solo de los componentes que brindan el tiempo de transición. Los pulsos de entrada pueden ser de cualquier duración relativa al pulso de salida. La longitud de los pulsos pueden variar desde los 40 nanosegundos a los 28 nanosegundos eligiendo los componentes adecuados. Sin componentes externos (por ejemplo Rint conectado a Vcc, Cext y Rext/Cext abierto), se puede conseguir un pulso de salida de aproximadamente 30 o 35 nanosegundos y puede ser utilizado como una seña de reset. Los tiempos de subida y bajada son compatibles con tecnología TTL e independientes de la longitud de pulso.
La estabilidad del ancho de pulso se logra a través de compensación interna y es prácticamente independiente de Vcc y la temperatura. En la mayoría de las aplicaciones, la estabilidad del pulso solo estará limitada por la precisión del valor de los componentes externos.




















Valoraciones
No hay valoraciones aún.