INFORMACIÓN
Final de carrera 125V / 250V o Interruptor Switch, son dispositivos de contacto (también conocidos como “interruptor de límite”), son dispositivos electrónicos utilizados en maquinarias como parte de un sistema de control, de acuerdo a la necesidad de tu proyecto o remplazo, contamos con una gran variedad de modelos que podrás adquirir y elegir de acuerdo a tus necesidades.
Estos finales de carrera son ideales para implementarlos en impresoras 3D o máquinas CNC para dar a conocer a la parte de control que un eje mecánico está en una posición, regularmente en impresoras 3D se implementan para llevar a una posición conocida y comenzar a imprimir, de igual manera se utiliza para no pasar los limites de impresión, pero en manera general son utilizados en distintos proyectos de electrónica como medida de seguridad, enclavamientos, o para el conteo de objetos que pasan por algún punto en específico y más.
ESPECIFICACIONES Y CARACTERÍSTICAS
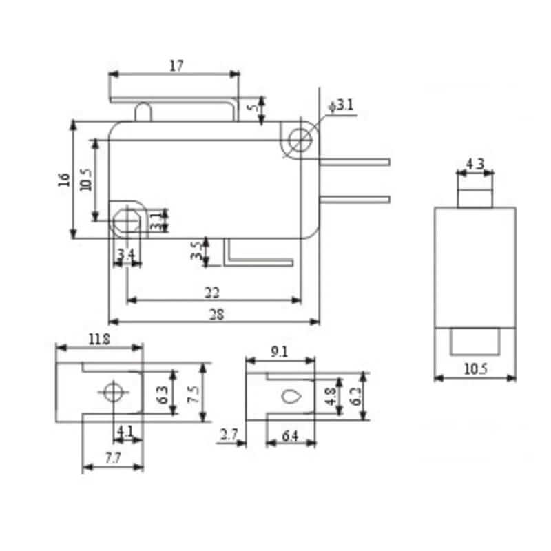
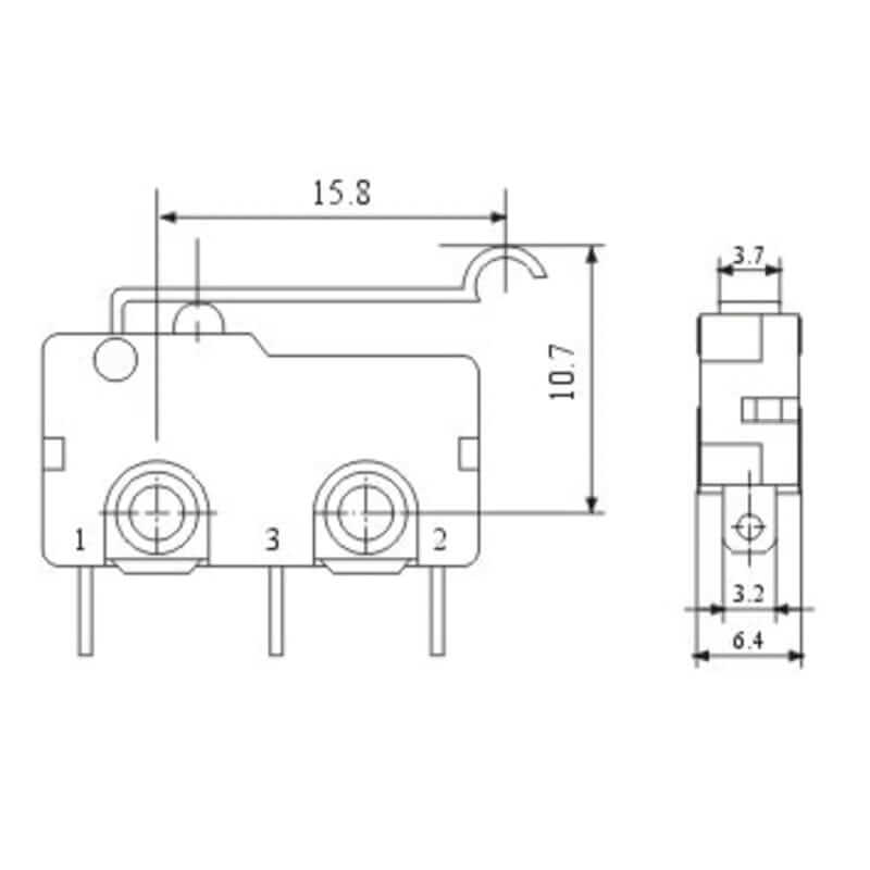
- Tipo: Final de carrera
- Modelos disponibles: KW11-3Z-2 | KW12, KW12A, KW12-C, KW12-N | KW8-0, KW8-1, KW8-2
- Pines: 3
- 1: COM
- 2: NC
- 3: NO
- Voltaje y corriente (Máx):
- KW11-3Z-2 | KW12 | KW12A | KW12-C | KW12-N: 125V / 250V AC 5A
- KW8-0 | KW8-1| KW8-2 125V AC 16A y 250V AC 5A
- Resistencia de contacto Máx.: 30 mΩ
- Fuerza de activación: 0.2 N a 1.5 N
- Resistencia del aislamiento Mín.: 100 MΩ
- Temperatura de trabajo: -15° ~ 70°C
- Vida eléctrica: 100.000 ciclos
- Vida mecánica: 10.000 ciclos
- Peso: 2g








Valoraciones
No hay valoraciones aún.